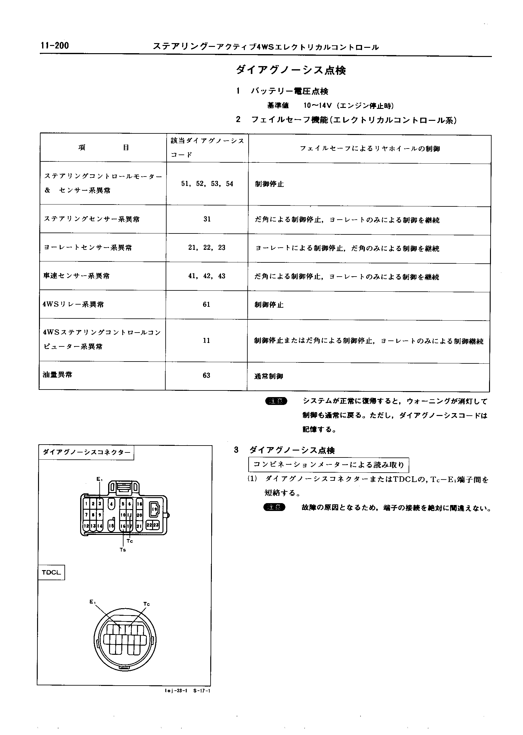
Japanese Manual
z_jap1_1230
previous
next
preview
Main Index
Topic Index